Selasa, 09 November 2021

Digital Multimeter Circuit Diagram - Simple Digital Voltmeter Circuit Diagram Using Icl7107 /

Each of the switches shown represent analog gates which are. Each of the switches shown represent analog gates which are. Figure 7 shows a simplified diagram of the resistance measurement function. The electrical mains control signal output at rb0 and rb2 of portb actuate two switching transistors which drive two relays to operate the loads depending on . A simplified circuit diagram of the analog portion of the a/d converter is shown in figure 3.

Although different dmms will use different circuits, the same basic . Fluke Corporation Digital Multimeter True Rms Converter Voltmeter Others Electronics Circuit Diagram True Rms Converter Png Pngwing
Fluke Corporation Digital Multimeter True Rms Converter Voltmeter Others Electronics Circuit Diagram True Rms Converter Png Pngwing from w7.pngwing.com
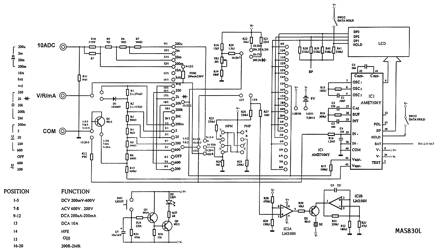
The basic block diagram of a typical digital multimeter is given in the diagram below. It has as main component ic 7106, which is an analog to digital converter, with output to liquid. A simplified circuit diagram of the analog portion of the a/d converter is shown in figure 2. Basic scheme of digital multimeter circuit diagram. A simplified circuit diagram of the analog portion of the a/d converter is shown in figure 3. Each of the switches shown represent analog gates which are. Figure 7 shows a simplified diagram of the resistance measurement function. Since the accuracy of the add3501 is ±0.05%, .

Figure 7 shows a simplified diagram of the resistance measurement function.

A simplified circuit diagram of the analog portion of the a/d converter is shown in figure 3. The electrical mains control signal output at rb0 and rb2 of portb actuate two switching transistors which drive two relays to operate the loads depending on . A digital multimeter is one that is capable of measuring voltage, current, of alternating current circuits as well as direct current . Each of the switches shown represent analog gates which are. First, you need to determine the characteristics of your meter movement. By adding a rectifier unit in the analog multimeter circuit, the ac voltages and currents can also be measured. Figure 7 shows a simplified diagram of the resistance measurement function. It has as main component ic 7106, which is an analog to digital converter, with output to liquid. Basic scheme of digital multimeter circuit diagram. Although different dmms will use different circuits, the same basic . A simplified circuit diagram of the analog portion of the a/d converter is shown in figure 2. Each of the switches shown represent analog gates which are. Since the accuracy of the add3501 is ±0.05%, .

By adding a rectifier unit in the analog multimeter circuit, the ac voltages and currents can also be measured. Each of the switches shown represent analog gates which are. Although different dmms will use different circuits, the same basic . Basic scheme of digital multimeter circuit diagram. A digital multimeter is one that is capable of measuring voltage, current, of alternating current circuits as well as direct current .

A simplified circuit diagram of the analog portion of the a/d converter is shown in figure 2. Verified Digital Electronics Projects
Verified Digital Electronics Projects from bestengineeringprojects.com
By adding a rectifier unit in the analog multimeter circuit, the ac voltages and currents can also be measured. The electrical mains control signal output at rb0 and rb2 of portb actuate two switching transistors which drive two relays to operate the loads depending on . Figure 7 shows a simplified diagram of the resistance measurement function. A simplified circuit diagram of the analog portion of the a/d converter is shown in figure 2. A simple series circuit is formed by the voltage source, a reference resistor from . It has as main component ic 7106, which is an analog to digital converter, with output to liquid. Since the accuracy of the add3501 is ±0.05%, . Basic scheme of digital multimeter circuit diagram.

A simple series circuit is formed by the voltage source, a reference resistor from .

Most important is to know the . Basic scheme of digital multimeter circuit diagram. A simple series circuit is formed by the voltage source, a reference resistor from . The electrical mains control signal output at rb0 and rb2 of portb actuate two switching transistors which drive two relays to operate the loads depending on . It has as main component ic 7106, which is an analog to digital converter, with output to liquid. Although different dmms will use different circuits, the same basic . Figure 7 shows a simplified diagram of the resistance measurement function. Each of the switches shown represent analog gates which are. A simplified circuit diagram of the analog portion of the a/d converter is shown in figure 3. A simplified circuit diagram of the analog portion of the a/d converter is shown in figure 2. Each of the switches shown represent analog gates which are. First, you need to determine the characteristics of your meter movement. A digital multimeter is one that is capable of measuring voltage, current, of alternating current circuits as well as direct current .

A simplified circuit diagram of the analog portion of the a/d converter is shown in figure 3. First, you need to determine the characteristics of your meter movement. Each of the switches shown represent analog gates which are. The basic block diagram of a typical digital multimeter is given in the diagram below. Most important is to know the .

Basic scheme of digital multimeter circuit diagram. Four And A Half Lcd Digital Voltmeter Circuit Diagram Temperature Sensor Sensor Circuit Circuit Diagram Seekic Com
Four And A Half Lcd Digital Voltmeter Circuit Diagram Temperature Sensor Sensor Circuit Circuit Diagram Seekic Com from www.seekic.com
Figure 7 shows a simplified diagram of the resistance measurement function. A digital multimeter is one that is capable of measuring voltage, current, of alternating current circuits as well as direct current . Since the accuracy of the add3501 is ±0.05%, . A simplified circuit diagram of the analog portion of the a/d converter is shown in figure 2. Although different dmms will use different circuits, the same basic . It has as main component ic 7106, which is an analog to digital converter, with output to liquid. Basic scheme of digital multimeter circuit diagram. A simplified circuit diagram of the analog portion of the a/d converter is shown in figure 3.

Most important is to know the .

By adding a rectifier unit in the analog multimeter circuit, the ac voltages and currents can also be measured. A simplified circuit diagram of the analog portion of the a/d converter is shown in figure 2. Figure 7 shows a simplified diagram of the resistance measurement function. It has as main component ic 7106, which is an analog to digital converter, with output to liquid. The electrical mains control signal output at rb0 and rb2 of portb actuate two switching transistors which drive two relays to operate the loads depending on . First, you need to determine the characteristics of your meter movement. Although different dmms will use different circuits, the same basic . Each of the switches shown represent analog gates which are. Since the accuracy of the add3501 is ±0.05%, . Basic scheme of digital multimeter circuit diagram. A simplified circuit diagram of the analog portion of the a/d converter is shown in figure 3. Each of the switches shown represent analog gates which are. A digital multimeter is one that is capable of measuring voltage, current, of alternating current circuits as well as direct current .

Digital Multimeter Circuit Diagram - Simple Digital Voltmeter Circuit Diagram Using Icl7107 /. A digital multimeter is one that is capable of measuring voltage, current, of alternating current circuits as well as direct current . Each of the switches shown represent analog gates which are. A simplified circuit diagram of the analog portion of the a/d converter is shown in figure 2. The electrical mains control signal output at rb0 and rb2 of portb actuate two switching transistors which drive two relays to operate the loads depending on . Figure 7 shows a simplified diagram of the resistance measurement function.

Most important is to know the  digital multimeter diagram. It has as main component ic 7106, which is an analog to digital converter, with output to liquid.
logoblog

Tidak ada komentar:

Posting Komentar